آرسی۵
آرسی۵ (RC5) یک الگوریتم رمزنگاری قطعهای میباشد که به دلیل سادگیاش مورد توجه قرار گرفتهاست. Rc5 توسط رونالد ریوست در سال ۱۹۹۴ طراحی شدهاست. آرسی۵ مخفف کلمه "Rivest Cipher" یا "Ron's Code" است. (RC2 و RC4 را مقایسه کنید). RC6 که بر پایهٔ آرسی۵ طراحی شده بود، نامزد انتخاب به عنوان AES یا همان Advanced Encryption Standard بود.

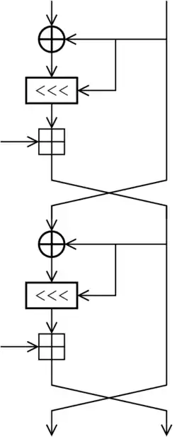
توضیح
بر خلاف بسیاری از طرحها آرسی۵ اندازه قطعه متغیری دارد. (۳۲، ۶۴ یا ۱۲۸ بیت) همچنین اندازه کلید (۰ تا ۲۰۴۰ بیت) و نیز تعداد دورها (۰ تا ۲۵۵) هم میتوانند متغیر باشند. مقدار پیشنهادی اصلی پارامترها، قطعهای به اندازهٔ ۶۴ بیت، کلیدی ۱۲۸ بیتی و ۱۲ دور است.
ویژگی کلیدی آرسی۵ استفاده از دورهای وابسته به دادهها میباشد. یکی از اهداف RC5 سرعت بخشیدن به مطالعه و ارزیابی عملکردهایی مانند رمزنگاری اولیه است. علاوه بر این RC5 از تعدادی ماژول و یای مانعةالجمع تشکیل میشود. ساختار اصلی الگوریتم بر مبنای ساختار رمز فیستل است. روتینهای رمزنگاری و رمزگشایی میتواند در چند خط کد مشخص شوند. هرچند برنامهریزی اصلی پیچیده تر است. برای ایجاد کلید علاوه بر عدد e و نسبت طلایی به عنوان منبع به یک تابع یک طرفه نیز نیاز است.
سادگی وسوسه انگیز به همراه دورهای جدید وابسته به دادههای این الگوریتم، RC5 را به یک الگوریتم جذاب برای تحلیلگران جهت رمزشکنی تبدیل کردهاست.
RC5 معمولاً به شکل RC5-w/r/b نشان داده میشود که در آن W = اندازه کلمه بر حسب بیت، R = تعداد دورها و B = تعداد بایتهای ۸ بیتی در کلید است.
تحلیل رمز (رمز شکنی)
RC5 با ۱۲ دور (با قطعههای ۶۴ بیتی) در معرض حمله دیفرانسیلی میباشد که این حمله از ۲۴۴ نمونه متن رمز نشده انتخابی استفاده میکند. لذا RC5 با ۱۸ تا ۲۰ دور برای امنیت کافی پیشنهاد میشود.
مرکز امنیتی RSA که دارای حق ثبت الگوریتم است چند بار جایزهای به مبلغ ۱۰۰۰۰ دلار آمریکا برای رمز شکنی متن رمز شده توسط RC5 پیشنهاد کرد. اما این رقابتها در ماه مه ۲۰۰۷ متوقف شدهاند. تعدادی از مشکلاتی که در این رقابتها با استفاده از محاسبات تعمیم داده شده که توسط Distributed.net طراحی شده بودند، مشکلاتی برای ادامهٔ کار این الگوریتم ایجاد کردند. Distributed.net یک پیام رمزگذاری شده با کلیدهای ۵۴ بیتی و ۶۴ بیتی که توسط RC5 رمزگذاری شده بود را مورد آزمون جامع قرار دادهاست و بر روی رمزگشایی یک کلید ۷۲ بیتی کار میکند. تا فوریه ۲۰۱۲، ۲٫۲۰۳٪ از فضای احتمال کلیدها جستجو شده بودند. با چنین نسبتی حدوداً ۹۰ سال طول میکشد تا تمامی کلیدهای ممکن باقی مانده را امتحان کنند. و به این ترتیب تکمیل پروژه تضمین میشود.