دیود هرزگرد
دیود هرزگرد (به انگلیسی: freewheeling diode)، یا دیود ضربه گیر، یک دیود معمولی است که به منظور حذف ولتاژ القایی حاصل از بارهای سلفی، استفاده میشود. در بارهای سلفی، اگر جریان بار بهطور ناگهانی کاهش یابد یا قطع شود، ولتاژ القایی معکوس و شدیدی در دو سر بار به وجود میآید که موجب آسیب دیدن سایر المانهای مدار میشود. برای تخلیه کردن این ولتاژ و جلوگیری از آسیب دیدن مدار، معمولاً یک دیود به صورت موازی با بار قرار میگیرد که به آن، دیود هرزگرد گفته میشود.[1]


نحوه عملکرد
در شکل زیر، یک مدار ساده را مشاهده میکنید که در آن، یک منبع ولتاژ، سلف، مقاومت خیلی کم اهم و کلید به صورت سری با هم قرار دارند. به محض وصل شدن کلید، سلف موجود در مدار شروع به شارژ شدن میکند. پس از گذشت زمان، سلف بهطور کامل شارژ میشود (شکل ۱). در لحظهای که کلید قطع میشود، سلف موجود در مدار، از کاهش ناگهانی جریان جلوگیری کرده و سبب برقراری جریان در فاصله هوایی بین دو کنتاکت کلید میشود (ایجاد جرقه - شکل۲). به عبارت دیگر، موقع قطع کلید و با توجه به رابطه ولتاژ سلف (VL = -L.dit/dt)، یک ولتاژ بزرگ و معکوس در دو سر القاگر به وجود میآید (منظور از ولتاژ معکوس اینست که پلاریته ولتاژ القایی ایجاد شده در سلف برعکس پلاریته ولتاژی است که در ابتدا بر روی سلف قرار داشت). همانطور که در شکل ۲ دیده میشود، در لحظه قطع شدن کلید، یک کنتاکت آن دارای ولتاژ مثبت ۲۴ ولت (به منبع تغذیه متصل است) و کنتاکت دیگر آن دارای ولتاژ القایی معکوس و شدید سلف (مثلاً منفی ۲۴۰ ولت) است. این تفاوت ولتاژ سبب پرش الکترونها و ادامه مسیر خود از هوا میشود (جرقه). این حالت در ترانزیستوری که به عنوان کلید عمل میکند نیز اتفاق میافتد و یک اختلاف ولتاژ بالایی در پیوندهای ترانزیستور افت کرده و سبب آسیب دیدن آن میشود. همچنین، تولید جرقه سبب تخلیه مقداری از انرژی در هوا شده و سبب بوجود آمدن تداخل الکترومغناطیسی با سایر لوازم الکترونیکی (مانند رادیو) میشود.
دیود هرزگرد، با فراهم کردن مسیری برای تخلیه القاگر، مشکل جرقه زنی را حل میکند. همانطورکه در شکل ۳ دیده میشود، به هنگام قطع کلید، دیود هرزگرد هدایت کرده و مسیری را شامل دیود و مقاومت به منظور برقراری و اتلاف جریان معکوس سلف فراهم میکند. وقتی که کلید در حالت وصل قرار دارد، دیود به صورت معکوس بایاس میشود و خاموش است اما در لحظه قطع کلید، پلاریته ولتاژ معکوس القایی سلف، دیود را به صورت مستقیم بایاس کرده و سبب هدایت آن میشود. مدت زمان تخلیه کامل القاگر با توجه به المانهای مداری، متغیر است اما معمولاً در حدود چند میلیثانیه است.


در این تصاویر، ما شاهد القای ولتاژ معکوس و حذف آن توسط دیود هرزگرد (1N4007) هستیم. در این مثال، از یک سلف متصل به منبع ولتاژ ۲۴ ولت DC و یک کلید سری استفاده شدهاست. در شکل ۱ که دیود هرزگرد وجود ندارد، ولتاژ معکوس ۳۰۰- ولت در دو سر کلید ظاهر میشود. در شکل۲، از یک دیود هرزگرد به صورت موازی با القاگر استفاده شدهاست. ملاحظه میشود که دیود هرزگرد، ولتاژ القایی معکوس در دو سر کلید را تا مقدار ۱/۴- ولت کاهش میدهد.
طراحی
یک دیود هرزگرد مناسب، باید دارای حداکثر جریان بایاس مستقیم بالایی باشد (به منظور عبور جریان شدید سلف). همچنین افت ولتاژ کم در بایاس مستقیم و حداکثر ولتاژ معکوس متناسب با منبع تغذیه مدار باشد.
هنگامی که از دیود هرزگرد به صورت موازی با یک رله DC استفاده میشود، ممکن است دیود سبب تأخیر در باز شدن کنتاکتهای رله در زمان صدور فرمان قطع شود. علت این پدیده تداوم گردش جریان در مسیر دیود و سیم پیچ رله پس از قطع شدن آن است. در مواقعی که باز شدن سریع کنتاکت رله از اهمیت بالایی برخوردار است، میتوان از یک مقاومت سری با دیود هرزگرد استفاده کرد. این مقاومت سبب اتلاف سریعتر انرژی سیم پیچ رله شده و سریعاً کنتاکت را باز میکند.[2]
در مدارات مبدل سوئیچینگ، از دیود شاتکی به عنوان دیود هرزگرد استفاده میشود چراکه افت ولتاژ مستقیم آن در حدود 0.2V ( 0.7V در دیود معمولی) است. همچنین قابلیت پاسخ سریع در برابر بایاس معکوس را دارد.
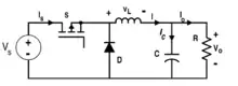
کاربردها
.png.webp)
دیود هرزگرد، عمدتاً زمانی استفاده میشود که یک بار سلفی توسط یک المان نیمه هادی، خاموش شود: در راه اندازی رله، درایور موتور پل اچ و…. در یک منبع تغذیه سوئیچینگ نیز از این اثر استفاده میشود اما انرژی به صورت حرارت تلف نمیشود بلکه برای شارژ خازن به منظور تغذیه بار استفاده میشود.
منابع
- http://www.douglaskrantz.com/ElecFlybackDiode.html
- «نسخه آرشیو شده». بایگانیشده از اصلی در ۱۸ فوریه ۲۰۱۷. دریافتشده در ۱۷ فوریه ۲۰۱۷.