رگولاتور خطی
در مهندسی الکترونیک، تنظیم کننده خطی یا رگولاتور خطی، یک المان یا مداری برای تأمین ولتاژ ثابت است. وظیفه این سیستم آنست که در صورت تغییرات ولتاژ منبع تغذیه، ولتاژ دو سر بار را ثابت نگه دارد. اینکار بدین صورت انجام میگیرد که مقاومت داخلی رگولاتور خطی متناسب با مقاومت بار تغییر میکند و در نتیجه ولتاژ ثابتی در خروجی بدست میآید. از این رو اگر ما بار را نیز تغییر دهیم، همواره باید ولتاژ ثابتی در خروجی داشته باشیم. المان تنظیم کننده ولتاژ طوری طراحی میشود که مانند یک مقاومت متغیر در یک مدار تقسیم ولتاژ عمل کرده و ولتاژ ثابتی را در دو سر بار تحویل دهد. همواره اختلاف ولتاژ بین ورودی رگولاتور و خروجی آن به صورت حرارت تلف میشود. در مقابل، تنظیم کنندههای سوئیچینگ، از یک المان فعال (ترانزیستور) که در حالت روشن و خاموش کار میکند استفاده میکند و ولتاژ خروجی، یک مقدار متوسط است. اصلیترین عیب رگولاتورهای خطی، پایین بودن راندمان آن به علت اتلاف توان بالا (به صورت حرارت) است. در تنظیم کنندههای خطی ولتاژ رگوله شده (خروجی) همیشه باید از ولتاژ ورودی رگولاتور کمتر باشد. به همین علت بهره این سیستم محدود است.

در تنظیم کنندههای خطی، ممکن است المان تنظیم کننده به صورت موازی با بار (رگولاتور موازی) یا به صورت سری مابین منبع ولتاژ و بار (رگولاتور سری) قرار گیرد. مدارات ساده از یک دیود زنر و یک مقاومت سری تشکیل میشود. مدارات پیشرفته تر از قسمتهای مختلفی برای ولتاژ مرجع، تقویتکننده خطا و المان عبور قدرت تشکیل شدهاست. به علت اینکه مدارات تنظیم کننده ولتاژ به صورت عمومی در اکثر وسایل مورد استفاده قرار میگیرد، تنظیم کنندههای مدار مجتمع بسیار پرکاربرد هستند.
بررسی اجمالی
از یک ترانزیستور (یا هر المان دیگر) به عنوان یکی از مقاومتهای مدار تقسیمکننده ولتاژ برای تنظیم ولتاژ خروجی استفاده میشود (مقاومت دوم همان مقاومت بار است). ولتاژ خروجی با یک ولتاژ مرجع مقایسه میشود و یک سیگنال کنترل به پایه بیس یا گیت ترانزیستور ارسال میشود. به کمک فیدبک منفی و روشهای جبران سازی مناسب، ولتاژ خروجی تا حد قابل قبولی ثابت میماند. رگولاتورهای خطی اغلب از لحاظ بازده ناکارآمد هستند زیرا ترانزیستور به عنوان یک مقاومت اهمی عمل کرده و توان الکتریکی را به صورت حرارت تلف میکند. مقدار تلفات توان ترانزیستور برابر است با حاصلضرب شدت جریان عبوری در اختلاف ولتاژ بین ورودی و خروجی و از این رو، تنظیم کنندههای خطی در مواردی بکار میرود که اختلاف ولتاژ منبع ورودی با خروجی مدار کم باشد. از سوی دیگر در رگولاتورهای خطی نیازی به سلف و ترانسفورماتور نیست. وجود این المانها سبب تداخل الکترومغناطیسی شده و همچنین وزن و قیمت مدار را بالا میبرند.
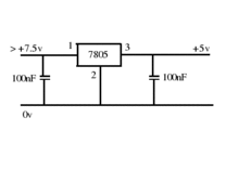
در همه رگولاتورهای خطی، ولتاژ ورودی نباید از یک مقدار حداقل کمتر باشد. این مقدار اندکی بالاتر از ولتاژ خروجی است. به عنوان مثال تنظیم کننده پرکاربردی مانند ۷۸۰۵ که دارای ولتاژ خروجی ۵ ولت است، تنها زمانی میتواند این ولتاژ را تأمین کند که ولتاژ ورودی آن نباید کمتر از ۷ ولت باشد.
رگولاتورهای خطی به دو صورت طراحی میشوند: رگولاتور موازی و رگولاتور سری.
رگولاتور موازی

تصویر مقابل یک رگولاتور موازی ساده را نشان میدهد که در آن از دیود زنر به منظور تثبیتکننده ولتاژ استفاده شدهاست. ولتاژ دو سر دیود ثابت است اما جریان دیود باید به اندازهای باشد که آن را در ناحیه شکست زنری قرار دهد. مقاومت R1، جریان دیود زنر Iz و جریان بار (R2) را تأمین میکند. این تنظیم کننده در مدارات ساده با توان پایین استفاده میشود. بعد از محاسبه R1 اگر مقاومت R2 از مدار حذف شود، باعث میشود که کلیه جریان بار از دیود زنر عبور کند. اگر این جریان از مقدار حداکثر جریان دیود بیشتر باشد موجب آسیب دیدن آن میشود.[1]
رگولاتور سری

با اضافه کردن یک طبقه کلکتور مشترک به رگولاتور موازی، رگولاتور سری تشکیل میشود و تثبیت ولتاژ را بهطور قابل ملاحظهای بهبود میبخشد. در این مدار، جریان بار (R2) از طریق ترانزیستور تأمین میشود. در این مدار از ترانزیستور به عنوان المان رگولهکننده استفاده شدهاست که به صورت سری با بار بسته شدهاست و به این دلیل به رگولاتور سری مشهور است.
رگولاتورهای ثابت به صورت مدار مجتمع

تنظیم کنندههای خطی سه سر «ثابت» بهطور معمول برای تولید ولتاژ ثابت مثبت ۳ ولت، و ولتاژهای مثبت و منفی ۵ولت، ۶ولت، ۸ولت، ۹ولت، ۱۰ولت، ۱۲ولت، ۱۵ولت، ۱۸ولت و ۲۴ولت با حداکثر جریان خروجی یک آمپر (1A)، مورد استفاده قرار میگیرند.
آیسیهای سری "78xx" (۷۸۰۵, ۷۸۱۲, و غیره) برای تنظیم ولتاژهای مثبت و سری "79xx" (۷۹۰۵, ۷۹۱۲, و …) برای تنظیم ولتاژ منفی بکار میرود. معمولاً دو رقم آخر شماره آیسی نشانگر ولتاژ خروجی است. به عنوان مثال ولتاژ خروجی ۷۸۰۵، مثبت ۵ ولت در حالی که ولتاژ خروجی ۷۹۱۵، منفی ۱۵ ولت است. انواع مختلفی از سری آی سیهای 78xx مانند 78L و 78S وجود دارد که برخی از آنها میتواند تا ۲ آمپر را در خروجی تأمین کند.[2]
تنظیم کردن رگولاتورهای ثابت
با اضافه کردن یک المان دیگر به مدار آیسی رگولاتور، میتوان ولتاژ خروجی را تغییر داد. دو مثال از روشهای موجود عبارتند از:
- یک دیود زنر یا مقاومت بین ترمینال زمین IC و زمین مدار اضافه میشود. با تغییر ولتاژ دیود زنر یا تغییر مقاومت، میتوان ولتاژ خروجی را در مقدار مورد نیاز ثابت کرد.
- استفاده از پتانسیومتر بین ترمینال زمین آیسی و زمین مدار. در این حالت با تغییر پیوسته مقدار مقاومت متغیر میتوان ولتاژ خروجی مورد نیاز را بهطور دقیق بدست آورد.
رگولاتورهای متغیر مدار مجتمع

تنظیم کننده قابل تغییر، یک ولتاژ مرجع را مابین پایه خروجی و پایه زمین تولید میکند. از خانواده این آیسیها میتوان به LM723 در توانهای پایین و LM317 برای توانهای بالا اشاره کرد. سری LM317 تنظیم کننده ولتاژ مثبت (1.25V+) و سری LM337 تنظیم کننده ولتاژ منفی (1.25V-) است.
به منظور تنظیم ولتاژ در خروجی، از مدار مقسم ولتاژ بین ترمینال خروجی رگولاتور و زمین استفاده میشود بدین صورت که یک سر مدار مقسم ولتاژ به خروجی رگولاتور و سر دیگر آن به زمین وصل میشود و مابین دو مقاومت نیز به پایه تنظیم رگولاتور متصل میگردد (شکل رو به رو را ببینید).
منابع
- وقتی که من طراحی شده من هستم pocket radio طراحی شده توسط یک 3.7 V باتری لیتیوم یون، 1.5–1.8 V تأمین برق مورد نیاز TA7642 تراشه ارائه شد با استفاده از یک دیود زنر تنظیم با استفاده از یک چراغ قرمز (با جلو ولتاژ 1.7 V) در جلو جای دیود زنر.
- بایگانیشده در ۱۳ ژوئن ۲۰۱۵ توسط Wayback Machine های Datasheet از L78xx نشان دادن یک مدل است که میتواند خروجی 2