شبکه فایستل
در رمزنگاری متقارن، معمولاً از دو روش رمز دنباله ای و رمز قالبی برای رمز کردن استفاده میشود. شبکه فایستل، یکی از روشهای رایج در ساخت رمز قالبی است. سیستم رمز معروف DES(استاندارد رمزنگاری دادهها)، با استفاده از شبکه فایستل ساخته شدهاست. شبکه فایستل یک جایگشت است و ثابت شده که اگر تعداد دورهای آن بیشتر از دو باشد، یک جایگشت شبه تصادفی است . در واقع شبکه فایستل ایده بسیار جالبی است که با استفاده توابع شبه تصادفی، خانواده ای از جایگشتهای شبه تصادفی میسازد.
کاربرد ها
اصلیترین کاربرد شبکه فایستل، استفاده از آن در طراحی رمز قالبی DES(استاندارد رمزنگاری دادهها) میباشد . در عمل از شبکه فایستل با تعداد دور بالا استفاده میشود و با این کار شرط تصادفی بودن توابع در آن را، حذف میکنند و به جای آنها توابع ساده تری قرار می دهند.کاربرد دیگری که در قسمت بالا نیز ذکر شد، تولید جایگشت شبه تصادفی است.
نحوه کارکرد

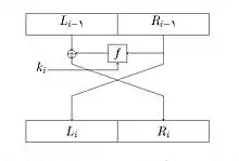
- شبکه فایستل از تعدادی دور تکرای تشکیل شدهاست؛
- ماهیت عملیات تمام دورها یکسان و در هر دور فقط کلید دور تغییر میکند؛
- در هر دور ورودی به دو نیمه چپ و راست تقسیم میشود؛
- F kiها متعلق به خانواده ای از توابع شبه تصادفی اند؛
- در دور i-ام، نیمه سمت راست را در F ki به عنوان متغیر قرار می دهیم، سپس مقدار بدست آمده را با نیمه سمت چپ XOR می کنیم و نتیجه حاصل را در سمت چپ قرار می دهیم؛
- در پایان هر دور، جای دو نیمه عوض میشود.
منابع
- کتاب Introduction to modren cryptography/katz and lindell