مبدل باک-بوست
مبدل باک-بوست (به انگلیسی: buck–boost converter) نوعی مبدل DC-DC است که میتواند به صورت افزاینده یا کاهنده به کار رود. در این مدل که آن را میتوان به نوعی هم ارز فلای بک دانست از تنها از یک سلف به جای ترانسفورماتور استفاده میگردد.

باک و بوست دو توپولوژی مختلف میباشند. هر کدام از این توپولوژیها به تنهایی قادر به تولید بازه ای ولتاژ به عنوان ولتاژ خروجی میباشد.
توپولوژی اینورتینگ (توپولوژی واژگونی)
در این حالت پلاریته ولتاژ خروجی مخالف پلاریتههای ولتاژ ورودی میباشد، این مبدل نوعی تغذیه سوئیچنگ میباشد که توپولوژیهای مدار آن شبیه مبدل باک و مبدل بوست (ترکیب این دو) هست. در این مبدل خروجی را میتوان توسط دیوتی سایکل موج PWM کنترل نمود. یکی از عیبهای این مبدل را میتوان نداشتن زمین در پایانههای خروجی برشمرد و این کار را کمی برای مدار درایور مشکل میکند، یک پیامد این عیب این است که منبع تغذیه از مدار بار ایزوله میشود زیرا که پلاریته دیود و منبع به سادگی برگردند. مدار سویچ میتواند هم به سمت زمین باشد و هم به سمت منبع.
در مبدل باک بوست قسمت پایین رفتن(step down) مبدل باک با قسمت بالا رونده(step up) مبدل بوست ترکیب میگردد. از این مبدل در منابع تغذیه DC تنظیم شدهای استفاده میشود که در آنها بخواهیم ولتاژ خروجی بیشتر یا کمتر از ولتاژ ورودی باشد. مبدل باک-بوست را میتوان با سری کردن دو مبدل باک و بوست به دست آورد، گرچه مدار آن به شکل سادهتری طراحی میشود.[1] وظیفه مبدل باک-بوست مشابه مبدل کاک است.
اصول عملکرد


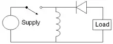
کل مراحل عملکرد مدار باک بوست در شکل۲ نشان داده شدهاست.
۱- وضعیت روشن(on state): زمانی که مدار در سویچ روشن میشود در طرف چپ، منبع تغذیه بهطور مستقیم به سلف وصل میگردد و دیود خاموش میشود و در سمت راست بار توسط خازن تغذیه میگردد.
۲-وضعیت خاموش(off state): در زمانی که سوئیچ مدار خاموش میشود دیود D روشن میشود و سلف، از طریق دیود، خازن را شارژ و بار را تغذیه میکند در این حالت یک مدار RLC به وجود میآید که با توجه به مقادیر R و L وC میتوان مدار را تحلیل نمود.
مقایسه مبدل باک و مبدل بوست با مشخصات مبدل باک-بوست:
- در این مدار باک-بوست پلاریته خروجی معکوس پلاریته ورودی میباشد.
- در یک مبدل باک بوست ایدهآل دامنه تغییرات (تبدیل) ولتاژ خروجی میتواند بسیار گسترده باشد به گونه ای که از ۰ ولت تا ∞، در یک مبدل ایدهآل باک- بوست میتوانیم خروجی داشته باشیم این در حالی است که در مبدل باک یا مبدل بوست با ورودی V تنها میتوانیم در محدوده V تا ∞ خروجی داشته باشیم
مفهوم ساختار باک-بوست
باک و بوست و همچنین عملکرد باک بوست را میتوان به عنوان یکی از مفاهیم رلوکتانس در القاگر دانست که در این مدارات القاگر (سلف) به سرعت توسط جریان شارژ میگردد و با ذخیره انرژی در میدان مغناطیسی در وضعیت دیگری این انرژی را به مدار انتقال میدهد.
حالتهای عملیاتی

این مبدل بسته به جریانی که از سلف میگذرد، میتواند در سه حالت عمل کند:[1]
- حالت پیوسته: زمانی که جریان سلف همواره بزرگتر از صفر باشد.
- حالت بحرانی: زمانی که جریان سلف فقط در یک لحظه صفر شود.
- حالت غیرپیوسته: زمانی که جریان سلف در یک بازه زمانی صفر شود.
منابع
- Robbins, Ned Mohan ; Tore M. Undeland ; William P. (1995). Power electronics: converters, applications, and design (2 ed.). New York [u.a.]: Wiley. p. 178. ISBN 0-471-58408-8.