مدار آرال
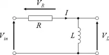
مدار مقاومت-القاگر (به انگلیسی:(resistor–inductor circuit - (RL circuit) یک مدار الکتریکی است از مقاومت، القاگری و یک منبع ولتاژ یا منبع جریان. سادهترین مدار از نوع آر ال تشکیل شده از یک مقاومت و یک القاءگر است.

چند نمونه القاگر
نحوه کار و برخی از معادلهها

مدار آرال
هنگامی مدار راه انداخته میشود که طبقِ عملکرد القاگر، القاءگر با ایجاد نیروی محرکهای که با منبع ولتاژ مخالفت میکند، باعث شود که جریان بهآرامی افزایش یابد.[1]
اگر مدار را به عنوان یک مقسم ولتاژ در نظر گیریم، میتوان نوشت:
و ولتاژ مقاومت:
برای جریان نیز میتوان گفت:
جستارهای وابسته
منابع
مشارکتکنندگان ویکیپدیا. «RL circuit». در دانشنامهٔ ویکیپدیای انگلیسی.
- فیزیک (3) و آزمایشگاه. شرکت چاپ و نشر کتابهاى درسى ايران. ۱۳۹۴. پارامتر
|first1=بدون|last1=در Authors list وارد شدهاست (کمک)
This article is issued from Wikipedia. The text is licensed under Creative Commons - Attribution - Sharealike. Additional terms may apply for the media files.