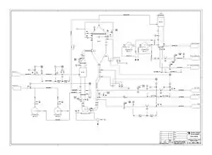
نمودار خطوط لوله و ابزار دقیق
نمودار/نقشه خطوط لوله و ابزار دقیق (P&ID) یک نمودار دارای جزئیات در صنایع فرایندی است که خطوط لوله و تجهیزات فرایندی را همراه با تجهیزات کنترلی و ابزار دقیق نشان میدهد. نقشههای P&ID معمولاً طیق استانداردهای ANSI/ISA S5.1 و ISO 14617-6 طراحی و رسم میشوند.

محتوا و کاربرد

نقشه خطوط لوله و ابزار دقیق (P&ID) توسط مؤسسهٔ کنترل و ابزار دقیق به شرح زیر تعریف میشود:
- نموداری که ارتباطات بین تجهیزات فرایندی و ابزار دقیق مورد استفاده برای کنترل فرایند را نشان میدهد. در صنایع فرایندی، از مجموعه نمادهای استانداردی برای تهیهٔ نقشههای فرایندی استفاده میشود. نمادهای ابزار دقیق مورد استفاده در این نقشهها معمولاً بر اساس استاندارد S5. 1 جامعهٔ بینالمللی اتوماسیون (ISA) میباشند.
- نقشه شماتیک اولیه که در جانمایی نصب یک سیستم کنترل فرایند استفاده میشود.
نقشههای P&ID نقش مهمی در تعمیر و نگهداری و اصلاح فرایندی که توصیف میکنند دارند. بسیار مهم است که توالی فیزیکی تجهیزات و سیستمها و همچنین چگونگی اتصال این سیستمها به یکدیگر نشان داده شود. در مرحله طراحی، این نمودارها پایهای برای توسعه طرحهای سیستم کنترل را فراهم میکنند و بررسیهای ایمنی و عملیاتی را ممکن مینمایند. مثل بررسی خطرات و عمل پذیری که معمولاً به آن HAZOP گفته میشود.
فهرست مواردی که در P&ID آورده میشود
- ابزار دقیق و نامگذاریها
- تجهیزات مکانیکی با نام و شماره
- تمام شیرها و شمارهای شناسایی آنها
- خطوط لوله، اندازه و شماره شناسایی
- متفرقه- دریچه تخلیه، اتصالات خاص، خطوط نمونه برداری، اتصالات کاهنده و افزاینده
نماد تجهیزات و لوازم شیمیایی
در زیر تعدادی از نمادهای تجهیزات و لوازم شیمیایی که معمولاً در یک P&ID استفاده میشوند، بر اساس استانداردهای ISO 10628 و ISO 14617 فهرست شدهاند.
![]() |
لوله | ![]() |
لوله با عایق حرارتی | ![]() |
Jacketed pipe | ![]() |
لوله گرم یا سرد شده |
![]() |
مخزن همزده ژاکت دار (اتوکلاو) | ![]() |
Half pipe mixing vessel | ![]() |
مخزن افقی تحت فشار | ![]() |
مخزن عمودی تحت فشار |
![]() |
پمپ | ![]() |
پمپ خلاء یا کمپرسور | ![]() |
کیسه | ![]() |
مخزن گاز |
![]() |
فن | ![]() |
فن محوری | ![]() |
فن شعاعی | ![]() |
Dryer |
![]() |
Packed column | ![]() |
برج سینی دار | ![]() |
Furnace | ![]() |
Cooling tower |
![]() |
مبدل گرمایی | ![]() |
مبدل گرمایی | ![]() |
کولر | ![]() |
Plate & frame heat exchanger |
![]() |
Double pipe heat exchanger | ![]() |
Fixed straight tubes heat exchanger | ![]() |
U shaped tubes heat exchanger | ![]() |
مبدل گرمایی مارپیچی |
| Covered gas vent | ![]() |
Curved gas vent | ![]() |
(Air) filter | ![]() |
قیف | |
![]() |
تله بخار | ![]() |
Viewing glass | ![]() |
Pressure reducing valve | ![]() |
لوله انعطافپذیر |
![]() |
شیر صنعتی | ![]() |
شیر کنترل | ![]() |
شیر دستی | ![]() |
Back draft damper |
![]() |
شیر سوزنی | ![]() |
شیر پروانهای | ![]() |
شیر دیافراگمی | ![]() |
Ball valve |










































