اتصال کلکتور مشترک
در الکترونیک برای ساخت تقویت کننده از روشهای مختلفی استفاده میشود که از جملهٔ آنها استفاده از ترانزیستور BJT است، که خود شامل شیوههای مختلفی برای اتصال ورودی و خروجی به سه سر ترانزیستور است. یکی از این روشها، روش اتصال کلکتور مشترک یا امیتر پیرو (به انگلیسی: emitter follower) است.


بهره
بهرهٔ این نوع ترانزیستور معمولاً کمی کمتر از یک است. به همین دلیل معمولاً به عنوان یک بافر در نظر گرفته میشود.
مقاومت ورودی و خروجی
مقاومت دیده شده از ورودی به شکل زیر خواهد بود:
مقاومت دیده شده از خروجی به شکل زیر خواهد بود:
که به صورت سادهتر میتوان آن را به صورت زیر نوشت:
چراکه بتا معمولاً عدد بزرگی است.

مشخصات
| تعریف | مقدار | مقدار تقریبی | شرایط تقریب | |
|---|---|---|---|---|
| بهره جریان | ||||
| بهره ولتاژ | ||||
| مقاومت ورودی | ||||
| مقاومت خروجی |
که در آن ، مقاومت معادل تونن است.
مدل سیگنال کوچک
در الکترونیک معمولاً این نوع مدارها را به دو شیوه تحلیل و بررسی میکنند:


- سیگنال بزرگ(تحلیل بایاس یا DC)
- سیگنال کوچک(تحلیل ac)
با استفاده از تعاریف زیر:
می توان بهره را به صورت زیر نوشت:
همچنین مقاومت ورودی را میتوان به شکل زیر نوشت:
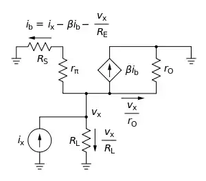
با قرار دادن یک منبع جریان تست(همان طور که در شکل روبرو نشان داده شدهاست) میتوان مقاومت خروجی را به شکل زیر پیدا کرد:
با استفاده از قانون اهم خواهیم داشت:
با استفاده از مقادیر بدست آمده میتوان مقاومت خروجی را به شکل زیر بازنویسی کرد:
جستارهای وابسته
منابع
- Razavi، Behzad. Fundamentals of Microelectronics.
- Sedra-Smith. Microelectronic Circuits.

.svg.png.webp)