تقویتکننده عملیاتی
تقویتکننده عملیاتی یا اُپاَمپ (به انگلیسی: op-amp یا Operational amplifier)، یک تقویتکنندهٔ ولتاژ با بهره (گِین) بسیار بالا و معمولاً دارای دو ورودی و یک خروجی است، که ورودیها، تفاضلی عمل میکنند، یعنی این تقویتکننده، اختلاف ولتاژ ورودیها را تقویت میکند.

یکی از دو ورودی، ورودی منفی (-) یا وارونگر نام دارد، زیرا بهرهٔ تقویتکننده برای سیگنال واردشده به این ورودی، منفی است. ورودی دیگر، ورودی مثبت (+) یا ناوارونگر است که سیگنال واردشده به آن، در خروجی با بهرهٔ مثبت ظاهر میشود.
این تقویتکننده، مقاومت خروجی بسیار کوچک (حدود چند اهم)، و مقاومت ورودی بسیار بزرگ (بیش از چند صد کیلو اهم) دارد. چون تقویتکننده عملیاتی، یک افزارهٔ فعال (active element) است، برای تأمین انرژی مصرفی و بایاس ترانزیستورهای خود به تغذیهٔ DC نیاز دارد.[1]
ایدهٔ تقویتکننده عملیاتی نخستینبار در دههٔ ۱۹۴۰ و در رایانههای آنالوگ مطرح شد؛ با قرار دادن عناصر مداری (مانند مقاومت، خازن، دیود، ...) میان ورودیها و خروجی تقویتکننده عملیاتی، مدارهایی با کاربردهای گوناگون به دست میآمد که با آنها، عملیات ریاضی مانند جمع، تفریق، ضرب، تقسیم، مشتق، و انتگرال پیاده میشد.
بدین ترتیب، پیادهسازی رایانههای آنالوگ (رایانههای امروزی دیجیتال هستند) برای حل معادلات دیفرانسیل فراهم میشد.[2] با گسترش کاربردهای دانش الکترونیک، استفاده از تقویتکننده عملیاتی نیز بسیار گستردهشد. در سال ۱۹۶۰، نخستین بار تقویتکننده عملیاتی به صورت مدار مجتمع طراحی و ساخته شد، و با اندازه و وزن کمتر، و نیز ارزانتر، وارد بازار شد.
پیشرفت فناوری و بروز نیازهای گوناگون و تخصصی، زمینه را برای عرضهٔ تقویتکنندههای عملیاتی خاص فراهم کرد.

شناسایی پایههای آیسی رایج آپامپ μA741

- پایههای ۴ و ۷، پایههای تغذیهٔ منفی و مثبت هستند.
- پایههای ۲ و ۳، پایههای ورودی وارونگر و ناوارونگر هستند.
- پایهٔ ۶، پایهٔ خروجی است.
- پایههای ۱ و ۵، برای از بین بردن (صفر کردن) اختلاف ولتاژ پایههای ورودی هستند (هنگامی که ورودی، هنوز اِعمال نشدهاست). برای این کار، هر یک از این پایهها را به سر وسط یک پتانسیومتر وصل کرده، با تغییر دادن پتانسیومترها، اختلاف ولتاژ دو ورودی به صفر رسانده میشود.
- پایهٔ ۸ لازم نیست به جایی وصل شود.
تقویتکنندهٔ عملیاتی ایدهآل
- بهرهٔ ولتاژ بینهایت دارد.
- مقاومت خروجی صفر دارد.
- مقاومت ورودی بینهایت دارد.
- پهنای باند بینهایت دارد.
- آفست ورودی آن صفر است (دو ورودی اختلاف ولتاژ ندارند).
هیچیک از این فرضها با ویژگیهای تقویتکننده عملیاتی واقعی مطابقت کامل ندارد، اما در فرکانسهای کم، مدل ایدهآل به مدل واقعی بسیار نزدیک است.
تقویتکنندهٔ عملیاتی واقعی
تقویتکنندهٔ عملیاتی، در عمل نمیتواند دارای همهٔ خصوصیتهای مدل ایدهآل باشد. چرا که تقویتکنندهٔ عملیاتی، خود از بههم پیوستن چند طبق تقویتکنندهٔ ترانزیستوری ساخته میشود و ناگزیر دارای محدودیتهایی در بهرهٔ ولتاژ، مقاومت ورودی و جریان خروجی و … است. گرچه این محدودیتها، اساس طراحیها بر مبنای مدل ایدهآل را برهم نمیزنند و تنها نتیجهها را تقریبی میکنند، ولی تقویتکنندههای عملیاتی با کارایی بالا نیز در بازار یافت میشوند که در برخی خصوصیتها، به مدل ایدهآل بسیار نزدیک بوده و میتوانند در طرحهای ویژه بهکار گرفته شوند. مثلاً تقویتکنندهٔ عملیاتیای ساخته میشوند که دارای سرعت زیاد، جریان خروجی زیاد و مقاومت ورودی بزرگ هستند. شناخت محدودیتهای تقویتکنندهٔ عملیاتی واقعی، نه تنها به ما در درک عمیقتر عملکرد مدارهای طراحی شده با این تقویتکنندهٔ عملیاتی کمک میکند، بلکه برای گزینش تقویتکنندهٔ عملیاتی مناسب نیز ضرورت دارد.
معرفی بخشهای تشکیلدهنده یک تقویتکننده عملیاتی
- منبعهای جریان
- تقویتکننده تفاضلی ورودی
- تقویتکننده میانی
- مدارهای تغییردهندهٔ سطح DC (تصحیحکننده آفست ورودی)
- طبقهٔ خروجی (تقویتکننده توان که معمولاً یک تقویتکنندهٔ کلاس AB است)
مدار داخلی
تقویتکننده عملیاتی، بنابه کاربردشان مدارهای متفاوتی دارند. آیسی ۷۴۱، از سادهترین آپاَمپهاست. مدار داخلی آن شامل:

- بخش آبیرنگ: طبقهٔ تقویتکننده تفاضلی است. ترانزیستورهای Q1 تا Q4 زوج تفاضلی ورودی را تشکیل میدهد. Q5 و Q6 و Q7 به همراه سه مقاومت، تشکیل بار فعال میدهند.
- بخشهای قرمزرنگ: منبعهای جریان را تشکیل میدهند تا تقویتکنندههای ترانزیستوری را بایاس کنند. هر سه منبع جریان، آینهای هستند.
- بخش صورتیرنگ: طبقهٔ تقویتکننده میانی است. Q۱۵ به عنوان بافر و Q۱۹ با مقاومت ۵۰ اهم در امیتر، یک طبقهٔ امیتر مشترک تشکیل میدهد.
- بخش آبی آسمانی رنگ: طبقهٔ خروجی تقویتکننده یا همان تقویتکننده توان کلاس AB (یا Push-Pull) است. علت استفاده از تقویتکننده کلاس AB در خروجی، تأمین جریان بارهای متنوع در خروجی است.
- بخش سبزرنگ: چندبرابرساز ولتاژ بیس-امیتر است که برای جلوگیری از اِعوِجاج همگذری (crossover distortion) استفاده میشود. این طبقه، ترانزیستورهای تقویت توان را در آستانهٔ روشنشدن، نگه میدارد. برای رسیدن به پایداری حرارتی، به جای مقاومت ۴٫۵k میتوان از یک NTC استفاده کرد.
- مقاومتهای ۲۵ و ۵۰ اهم در خروجی تقویتکننده، برای جلوگیری از رانش حرارتی ترانزیستورهای Q۱۴ و Q۲۰ بهکار گرفته شدهاند.
- خازن ۳۰Pf، جبرانساز میلر است و در مدار، قطب (pole) پدید میآورد تا از ناپایداری و نوسان تقویتکننده در بسامدهای بالا جلوگیری کند. (فضایی که خازن در مدار مجتمع اشغال میکند، چند برابر فضای اشغالشده یک ترانزیستور است. پس در طراحی مدار مجتمع، باید از کمترین تعداد خازن و مقاومت استفاده کرد).
سرعت تغییر خروجی (Slew Rate)
تعریف
سرعت تغییر خروجی تقویتکننده عملیاتی محدود است. بهعبارت دیگر، اگر به ورودی یک تقویتکننده عملیاتی شکلموج پلهای داده شود، خروجی، شکلموج پلهای نخواهد بود، بلکه افزایش خروجی با شیب معینی صورت میگیرد. این پارامتر توسط حداکثر جریان شارژکنندهٔ خازن جبرانساز درون آپامپ تعیین میشود. زیرا افزایش خروجی، مستلزم افزایش خروجی طبقهٔ تقویتکننده میانی است که با شارژ خازن انجام میگیرد. حداکثر شیب تغییر خروجی را با یک پارامتر به نام 'SR' بیان میکنند.[3]

سبز: شکلموج خروجی
اندازهگیری Slew Rate
برای اندازهگیری Slew Rate میتوان از یک «فانکشن ژنراتور» در حالت موج مربعی و یک نوساننما استفاده کرد. Slew Rate برای حالت با بازخورد و بدون بازخورد یکسان است. این پارامتر برای تقویتکنندههای عملیاتی معمولی حدود چند ولت بر میکروثانیه بوده و برای تقویتکنندههای عملیاتی با کارایی بالا از ۱۰۰ ولت بر میکروثانیه نیز میتواند بیشتر باشد.
پهنای باند بهره واحد
در یک تقویتکننده عملیاتی واقعی، نه تنها بهرهٔ ولتاژ حلقه-باز محدود است بلکه این مقدار نیز تا فرکانس حدود میان ۱۰Hz تا 1KHz ثابت است و پس از آن کاهش مییابد. این کاهش به اندازهٔ 20 dB/dec با افزایش فرکانس ادامه مییابد. پهنای باند بهرهٔ واحد در تقویتکنندههای عملیاتی معمولی حدود ۱MHz است. در تقویتکنندههای عملیاتی سریع، مقدار این پارامتر ممکن است به بیش از چند ده مگاهرتز نیز برسد.
مقاومتهای ورودی و خروجی

برخلاف تقویتکننده عملیاتی ایدهآل که مقاومت خروجی ندارد، تقویتکننده عملیاتی واقعی، مقاومت خروجی در حدود ۱۰۰ اهم دارد (در انواع معمولی). البته در تقویتکنندههایی که با استفاده از تقویتکننده عملیاتی و مقاومتهای خارجی ساخته میشوند مقاومت خروجی مدار از مقاومت خروجی تقویتکننده عملیاتی کمتر خواهد بود. در این حالت، مقاومت خروجی تقویتکننده عملیاتی در مدار نقش چندان مهمی ندارد و میتوان از آن صرف نظر کرد. تأثیر قابل توجه این مقاومت در امپدانس خروجی مدار وقتی ظاهر میشود که محدودیت عرض باند را در نظر بگیریم.
تقویتکننده عملیاتی به عنوان مقایسهگر (آپامپ بدون بازخورد)

اگر ولتاژ پایهٔ مثبت (ناوارونگر) از ولتاژ پایهٔ منفی (وارونگر) بیشتر باشد، سطح خروجی آپامپ، برابر با تغذیه مثبت میشود (ولتاژ تغذیهٔ مثبت در خروجی ظاهر میشود) و هنگامی که ولتاژ پایهٔ مثبت (ناوارونگر) از ولتاژ پایهٔ منفی (وارونگر) کمتر باشد، خروجی آپامپ، برابر با تغذیهٔ منفی میشود (تغذیهٔ منفی در خروجی ظاهر میشود).
کاربردهای تقویتکننده
ساخت بافِر به کمک آپامپ

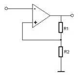
در این حالت، بهرهٔ ولتاژ، برابر یک است. مقاومت ورودی این مدار با توجه به صفر بودن جریان ورودی، برابر بینهایت است. این مدار، همهٔ شرایط یک بافر را داراست (بهرهٔ ولتاژ یک، مقاومت ورودی بینهایت و مقاومت خروجی صفر) و مانند یک بافر تقریباً ایدهآل استفاده میشود. این مدار را «ولتاژ-پیرو» نیز مینامند؛ زیرا ولتاژ خروجی آن همواره ولتاژ ورودی را دنبال میکند.
ساخت جمعکننده به کمک آپامپ

هر یک از تقویتکنندههای با بهرهٔ منفی یا مثبت را میتوان با افزودن چند مقاومت در ورودی، مطابق شکل، به مدار جمعکننده تبدیل کرد. با تعویض سرهای + و – بهره مثبت میشود.
تقویتکننده تفاضلی

منظور از تقویتکننده تفاضلی، تقویتکنندهای است که تفاضل دو ترمینال ورودی با بهرهٔ معینی در خروجی آن ظاهر میشود. در تقویتکنندههای تفاضلی، معمولاً مقدار متوسط ترمینالهای ورودی نیز تقویت شده و به صورت یک مؤلفهٔ ناخواسته در خروجی ظاهر میشود. در یک تقویتکننده تفاضلی ایدهآل، این مؤلفه را در خروجی ندارد.
مدار انتگرالگیر (فیلتر پایینگذر)

این مدار، شکلموج مربعی را به شکلموج دندانهارهای تبدیل میکند و در نوساننما کاربرد دارد. البته در عمل باید یک خازن را با مقاومت بزرگ موازی کرد تا بازخورد DC برقرار باشد.
مدار مشتقگیر (فیلتر بالاگذر)

کاربردهای غیرخطی؛ لگاریتم و پاد-لگاریتم (نمایی)
تقویتکننده لگاریتمی

جریان اشباع معکوس
در دمای اتاق (۲۵ درجهٔ سلسیوس) برابر ۲۶ میلیولت است.
کاربرد آپامپ در طراحی فیلترهای فعال
از آپامپ میتوان در ساخت فیلترهای فعال استفاده کرد. نمونهای از آنرا در زیر میبینید.

آپامپ با بازخورد مثبت
اگر خروجی بهگونهای به ورودی ناوارونگر وصل باشد، مدار کاربرد تقویتکنندهای ندارد. با این روش میتوان مدارهایی مانند مونوستابل (monostable)، آستابل (astable)، بیاستابل (bistable)، و اشمیتتریگر ساخت.

اشمیتتریگر با آپامپ
از آپامپ در ساخت اشمیتتریگر نیز استفاده میشود (شکلهای زیر).


تنظیمکننده (رگولاتور) ولتاژ با تقویتکننده عملیاتی

گرچه استفاده از تنظیمکنندههای ولتاژ ساده در بسیاری از دستگاههای الکترونیکی ارزان رایج است، در منابع تغذیهٔ تجاری و صنعتی که تنظیم ولتاژ، بهتر و دقیقتر و نیز ولتاژ خروجی تغییرپذیر لازم است، مدارهای پیچیدهتر با استفاده از آپامپ بهکار میرود.
ژیراتور (Gyrator)

در طراحی فیلترهای نافعال، به دلیل استفاده از القاگر، مدارها سنگین، بزرگ، گران و دارای تلفات میشوند. برای همین، استفاده از فیلترهای فعال که القاگر ندارند، بهتر است. یکی از انواع فیلترهای فعال، فیلتری است که در آن از ژیراتور استفاده میشود؛ در آنها ابتدا فیلتر نافعال را طراحی و پیاده شده، سپس ژیراتور، که ترکیبی از مقاومت و خازن و تقویتکنندهٔ عملیاتی است، جایگزین القاگر میشود.
تبدیلگر امپدانس منفی

منظور از تبدیلگر امپدانس منفی، مداری است که با استفاده از مقاومتهای معمولی در دو سر ورودی خود، یک مقاومت منفی درست میکند. در مدار روبرو، نسبت به یک عدد منفی است. به عبارت دیگر، از دید ورودی مثبت، مدار، مقاوت منفی دارد.
در مدار روبرو، به دلیل استفاده از بازخورد منفی و برابری ولتاژ پایههای ورودی، و تقسیم ولتاژ:
با نوشتن رابطهٔ جریان، و جایگزینی رابطهٔ نخست:
مقاومت ورودی، نسبت ولتاژ منبع سیگنال به جریان ورودی است.
بنابراین مقاومت ورودی، منفی میشود.
برای داشتن امپدانس منفی، میتوان به جای مقاومت از القاگر یا خازن استفاده کرد.
از تبدیلگر مقاومت منفی میتوان در طراحی منبع جریان ایدهآل با تقویتکنندهٔ عملیاتی استفاده کرد.
یکسوساز دقیق

با استفاده از تقویتکنندهٔ عملیاتی و دیود، میتوان یکسوساز تقریباً ایدهآل ساخت. در مدار یکسوساز دقیق ولتاژ ورودی به جای آنکه مستقیماً به دیود وصل شود از راه آپامپ به آن وصل میشود. یعنی ورودی به سر مثبت آپامپ و خروجی نیز بعد از اتصال به دیود با فیدبک منفی به سر منفی آپامپ وصل میشود؛ اگر ولتاژ ورودی منفی باشد، دیود خاموش است و بازخورد منفی برقرار نمیشود پس خروجی صفر است، و اگر ورودی مثبت باشد، دیود روشن میشود و بازخورد منفی برقرار میشود و خروجی، برابر ورودی میشود. در نتیجه اگر دیود روشن باشد خروجی تنها به مقدار ناچیزی از ورودی کمتر خواهد بود (به اندازه ولتاژ دیود تقسیم بر بهره حلقه باز آپامپ). زیرا ولتاژ دو سر ورودی آپامپ تقریباً برابر است.[4]
این یکسوساز، نیمموج است.
یکسوساز دقیق بهبودیافته
.svg.png.webp)
در این مدار، چون خروجی تقویتکنندهٔ عملیاتی به اشباع مثبت و منفی نمیرود، نرخ چرخش (Slew Rate)، چندان اثرگذار نیست و از مدار پیشین، کیفیت بهتری دارد. (گرچه این مدار در بسامدهای بالا، Slew Rate خوبی ندارد، ولی از مدار پیشین بهتر است)
رایانهٔ آنالوگ
رایانهٔ آنالوگ، یک ابزار دقیق و قادر است رفتار یک سامانهٔ فیزیکی را، که مجموعهای از معادلههای دیفرانسیل و انتگرال توصیفپذیر است، پیشبینی و شبیهسازی کند. برنامهنویسی چنین رایانهای، بهکارگیری چند تقویتکنندهٔ عملیاتی برای عملیات ریاضی در معادلههای توصیفکننده سامانه است.
یک رایانهٔ آنالوگ واقعی، علاوه بر تقویتکنندهٔ عملیاتی شامل مقاومتها و خازنهای دقیق، مولد شکلموجهای گوناگون برای تأمین ورودیهای گوناگون، وسیلههایی برای اعمال شرایط اولیه، پتانسیومتر دقیق برای واردکردن ثابتهای تغییرپذیر، کلیدهایی برای کنترل عملیات، نوساننما برای نمایش خروجی و یک بُرد مدار، برای بههم بستن قطعههای گوناگون برنامه است.
در مدارهای رایانهٔ آنالوگ معمولاً از مشتقگیر استفاده نمیشود، زیرا نویز، دارای تغییرات زمانی زیاد (مشتق بزرگ) است درحالیکه انتگرال آن در یک بازه، به صفر نزدیک است؛ بنابراین طراحی بر مبنای انتگرالگیر انجام میشود. به کمک رایانهٔ آنالوگ میتوان یک سامانهٔ فیزیکی را دقیقاً شبیهسازی کرد.
چند تقویتکنندهٔ عملیاتی پرکاربرد
LM324: محبوبترین آیسی برای مدارهای ربات مسیریاب است. این آیسی، چهار آپامپ (DUAL AP-AMP) دارد. این آپامپها برای مقایسهٔ ولتاژ خروجی حسگرها بهکار میروند.
LN2803: میانگیر NOT دارد. پایهٔ ۹ آن تغذیهٔ منفی و پایهٔ ۱۸ آن تغذیهٔ مثبت است. جریان خروجی آن در حدود ۵۰۰ میلیآمپر است. این آیسی بیشتر برای درایو کردن موتور پلهای در رباتهای مسیریاب استفاده میشود.
TL022CP: یک آپاَمپ شامل تقویتکنندهٔ کممصرف با امپدانس ورودی بالا و جریان تغذیهٔ کم است.
LM358N: یک آپاَمپ شامل دو تقویتکننده با مصرف پایین و بهرهٔ بالا است.
جستارهای وابسته
پانویس
- کتاب مبانی الکترونیک، نویسنده: دکترسیدعلی میرعشقی، انتشارات: نشر شیخبهایی، صفحهٔ ۱
- معرفی آپ امپ (تقویتکننده عملیاتی)،
- کتاب مبانی الکترونیک، نویسنده: دکترسیدعلی میرعشقی، انتشارات: نشر شیخ بهایی، صفحهٔ ۲۹
- فیلم آموزش نحوه عملکرد یکسوساز دقیق،
مأخذها
- مشارکتکنندگان ویکیپدیا. «Operational amplifier». در دانشنامهٔ ویکیپدیای انگلیسی، بازبینیشده در ۳ می ۲۰۱۱.
- مشارکتکنندگان ویکیپدیا. «Slew rate». در دانشنامهٔ ویکیپدیای انگلیسی، بازبینیشده در ۳ می ۲۰۱۱.
- ویکیپدیا اسپانیایی
- ویکیپدیا لهستانی


