تنظیمکننده ولتاژ
در سیستمهای الکترونیکی، توان الکتریکی مورد نیاز توسط منابع تغذیه تأمین میشود. منابع تغذیه DC، ولتاژ AC برق شهر را ابتدا یکسو کرده و سپس آن را از فیلتر میگذراند. ولتاژ خروجیِ فیلترشده، ثابت نبوده و با افتوخیزهایی همراه است. از طرف دیگر، دامنه ولتاژ سینوسی برق شهر نیز کاملاً ثابت نبوده و با نوساناتی در حدود ۱۰ تا ۲۰ درصد، باعث تغییر ولتاژ خروجی فیلتر میشود. اکثر سیستمهای الکترونیکی تحمل تغییرات ولتاژ بیش از ۱ درصد را نداشته و برای حذف تغییرات اضافی از مدارهای تنظیمکننده ولتاژ یا تثبیتکننده یا رگولاتور ولتاژ (به انگلیسی: Voltage regulator) استفاده میکنند.[1]

تنظیمکننده ولتاژ، مدار یا قطعهای الکترونیکی است که ولتاژ را بر روی مقدار مشخصی تثبیت میکند. معمولا آیسیهای رگولاتور یک قطعه سه پایه است.
تنظیمکننده ترانزیستوری

در شکل زیر مدار تنظیمکننده ترانزیستوری سری دیده میشود. عیب عمده این مدار عدم حفاظت در برابر اتصال کوتاه و راندمان پایین به علت تلفات DC در قطعات الکترونیکی که عمده آن مربوط به ترانزیستور سری است، میباشد.
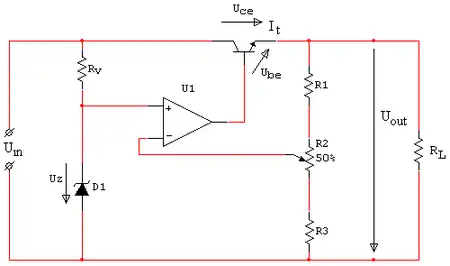
تنظیمکننده با بازخورد منفی و تقویتکننده خطا

گرچه استفاده از تنظیمکنندههای ولتاژ ساده در بسیاری از سیستمهای الکترونیکی ارزانقیمت متداول است، ولی در منابع تغذیه تجاری، تنظیم ولتاژ بهتر و دقیقتر و نیز ولتاژ خروجی قابل تغییر مورد نیاز است. توسط دیود زنر ولتاژ مرجعی تولید میشود و تقویت کننده خطا که معمولا یک آپاَمپ است، این ولتاژ را با ولتاژ خروجی که از تقسیمکننده ولتاژ مقاومتی R2, R1 و R3 بدست میآید، تفاضلکرده (ازهم کم میکند) و مقدار خطای حاصل شده را جهت تنظیم ولتاژ خروجی به بیس ترانزیستور اعمال میکند.
آیسیهای تنظیمکننده

آیسیهای تنظیمکننده ولتاژ، عملکرد ساده و مطمئن، حفاظت اتصال کوتاه، ضریب تثبیت ولتاژ مناسب، و نیز قیمت ارزان دارند.
این آیسیها در دو نوع ثابت و متغیر عرضه میشوند. از انواع آیسیهای متغیر میتوان به سریهای LM اشاره کرد. (به عنوان مثال و LM337) آیسیهای ثابت به دو نوع ۷۸ (رگولاتورهای مثبت) و ۷۹ (رگولاتورهای منفی) تقسیم میشوند. روی رگولاتورها شمارهای به صورت 78XX و 79XX ذکر شدهاست که اعداد XX نشانگر ولتاژ خروجی میباشد. (مثلاً ۷۸۰۵ ولتاژ خروجی ۵+ و ۷۹۱۲ ولتاژ خروجی ۱۲- تولید میکند)
آیسیهای رگولاتور در مقابل اتصال کوتاه شدن خروجی یا جریان کشیدن بیش از اندازه محافظت شدهاند، و حجم کمی دارند.
قسمت فلزی بالای قطعه برای افزودن گرماگیر (انگلیسی: Heat Sink) در صورت لزوم به کار میرود که با اتصال آن بوسیلهٔ پیچ، به خنک کردن قطعه کمک میکند.
پایههای رگولاتور

- پایه اول، ورودی ولتاژ است و به منبع تغذیه (تثبیت نشده) وصل میشود.
- پایه دوم، پایه مشترک است و به قطب منفی منبع تغذیه متصل میشود (GND).
- پایه سوم، خروجیِ تثبیتشده است.
پیوند به بیرون
پانویس
- کتاب مبانی الکترونیک، نویسنده: دکتر سید علی میر عشقی، انتشارات: نشر شیخ بهایی، صفحهٔ ۱۴۱