مبدل ایسی به ایسی
مبدل AC به AC (انگلیسی: AC/AC converter) مبدل الکتریکی است که یک جریان متناوب با فرکانسی خاص را به جریان متناوبی با یک فرکانس دیگر تبدیل میکند.[2] سیکلوکانورترها و مبدلهای ماتریسی از اقسام مبدلهای AC به AC هستند.
| بخشی از سری مقالاته |
| مهندسی قدرت |
|---|
| تبدیل توان الکتریکی |
| زیر ساختهای نیروی الکتریکی |
| اجزای سامانههای نیروی الکتریکی |
|

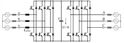
توپولوژی یک مبدل AC به AC[1]
از این مبدل در کاربردهایی مانند محرکههای الکتریکی، خط انتقال|خطوط انتقال AC، منبع تغذیه بدون وقفه و در سیستمهای انرژی تجدیدپذیر استفاده میشود.[3]
برای کانورترهایی که قرار است ولتاژ متناوب را از یک فرکانس و ولتاژ خاص به یک ولتاژ و فرکانس دلخواه برسانند تیپهای مختلفی از کانورترها وجود دارد که اهم آنها را میتوان از موارد زیر یاد کرد:
- تبدیل غیر مستقیم ac-ac که برای مثال شامل رکتیفایر،لینک dc،اینورتر میباشد.
- سیکلو کانورتر
- کانورترهای ماتریس
- کانورترهای ماتریس مختلط
برای کانورترهایی که با لینک dc کار میکنند میتوان دو دسته زیر را متصور بود:
- کانورتر VSI(اینورتر منبع ولتاژ )که رکتیفایر آن شامل یک پل دیودی و لینک dc آن شامل خازن خواهد بود.
- کانورتر CSI(اینورتر منبع جریان )که رکتیفایر آن شامل یک پل دیودی و لینک dc آن شامل یک یا دو سلف سری که روی پایهها ی ارتباط دهنده ی رکتیفایر و اینورتر است خواهد بود.
مقدار یا اندازه ی لینک dc تحت تأثیر المان ذخیره ی انرژی یعنی خازن در لینک dc ولتاژ و یک لینک dc جریان قرار دارد.
منابع
- I. Takahashi, Y. Itoh, “Electrolytic Capacitor-Less PWM Inverter“, in Proceedings of the IPEC’90, Tokyo, Japan, , pp. 131 – 138, April 2 – 6, 1990.
- Pelly, L. Gyugyi, B.R. (1976). Static power frequency changers: theory, performance, and application. New York: Wiley. ISBN 9780471678007.
- Szcześniak, Paweł (2013). Three-phase AC-AC power converters based on matrix converter topology matrix-reactance frequency converters concept. London: Springer. p. 17. ISBN 9781447148968.
|access-date=requires|url=(help)
This article is issued from Wikipedia. The text is licensed under Creative Commons - Attribution - Sharealike. Additional terms may apply for the media files.